今回の記事は生成AI Geminiに添削してもらいました。説明がややこしく疲れてしまったので。
近々、新設されてから初めてとなる年次点検を控えています。
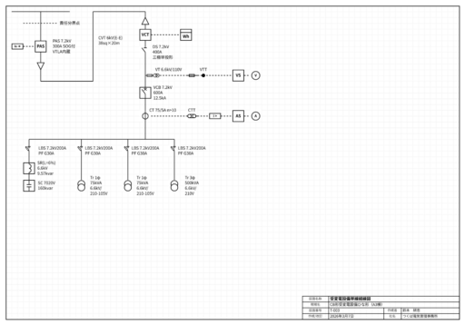
今回の現場、非常用回路がなぜか非常に複雑に組まれているという特徴があります。
竣工時に電気工事店の方にも「なぜこんな複雑な仕様になったのか?」と
聞いてみたのですが、結局明確な理由はわかりませんでした(現場あるある?)。
このままでは点検時の作業説明が難しいため、作業員間でしっかり情報共有できるようオリジナルの単線結線図を準備することにしました。
自作ツール「タンケツくん」で現場に合わせた図面を作成
今回は、自作の単線結線図エディタ**「タンケツくん」**の横A3判テンプレートを利用しました。


現場の複雑な回路に合わせてテンプレートを書き換え、詳細な回路を追加していきます。


図面を引きながら、「ここ、下記のように組めばDT1台で済んだのになぁ…」なんて、つい理想の回路構成を考えてしまいました。設計の意図を読み解くのも、この仕事の面白さ(?)かもしれません。


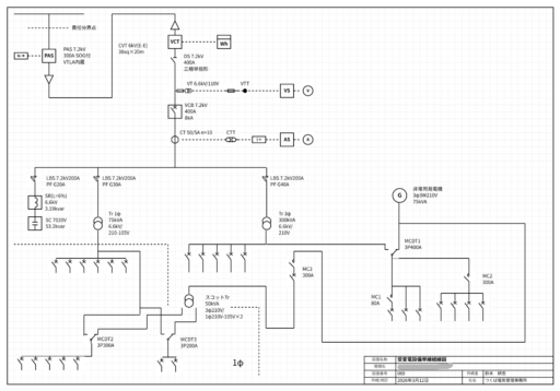
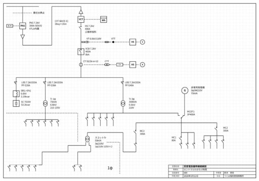
作業の安全性を高める「状態別」の結線図
実際の作業説明やKY(危険予知)活動をスムーズに行うため、以下の2パターンの図面を作成しました。
- 商用受電状態:商用使用時の充電範囲を可視化
- 停電中(非常回路)状態:停電時における発電回路の充電箇所を可視化




この2枚の単線結線図を使って、事前に作業員と入念に工程説明とKYを行ってから実作業に入りました。


視覚的に充電箇所がわかるため、安全確認の精度が格段に上がります。
現場での連携プレイ:スコットトランスの電圧確認
私は施設館内で責任者から停電許可をもらったりエレベーターに人が乗らないよう扉を手で押さえたりしながらトランシーバーでQB側へ停電指示を出していたため、現場の盤面を直接見ることはできません。
発電機に切り替わったタイミングでしかスコットトランスの電圧は出力されないため、充電確認は現場の作業員にお願いし、無事に電圧出力を確認してもらいました。事前の図面を使った説明が活きました。
現場の単結を作業員全員と共有していたほうが安全率が上がります。複雑な現場ほど、事前の図面準備と綿密なKYが大切だと改めて実感した年次点検でした。



コメント
コメント一覧 (2件)
タンケツくんは公開されていますか?
池田 宏さん>
コメントありがとうございます。
下記をご参照ください。
Webで完結!単線結線図エディタ「タンケツくん」を公開しました