
配線作業大詰めと言ったところ。


KIV 2sq 黄色は
現場や工作で使えそうなので
今回1箱購入しました。
created by Rinker
¥15,619
(2026/02/17 13:45:39時点 楽天市場調べ-詳細)


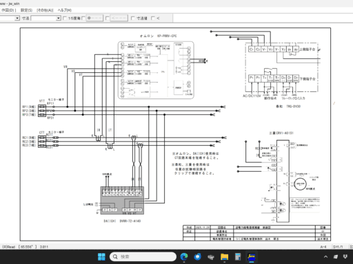
ここまで配線が進んだところで
重大なミスが発覚しました。
オムロンのCTセンサー紛失。
すべての材料は
1箱に入れておいたはずだったのですが、
どこを探しても見つかりません。
可能性としては
制作途中プールボックス加工で出た
きりこや廃材を
袋に詰めて捨てたのですが
もしかしたら紛れ込んだか…
K2ZC-K2RV-NPCに同梱の専用CTのみ購入できるか教えてください。 – 製品に関するFAQ | オムロン制御機器
CTだけで買えそうなので
電材屋さんにメール注文入れましたが
12/26で御用納めだったからか返答なし。
2026年に持ち越しになります。
自分に嫌気がさします。



コメント