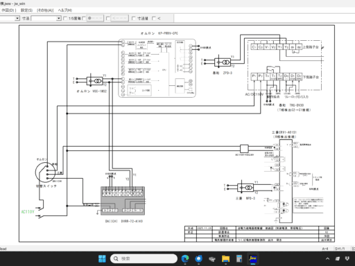
2025年12月、
インフルエンザによる
学年閉鎖で休みの子供と
留守番しつつ、
RPR模擬盤制作を進めました。

VTT,CTTパネルカットミスを
リカバリーしてから
裏側に現物合わせで
ブレーカーやZPDの箱を取り付け。

制御電源配線まで完了。

ほぼ形になりました。
残るは
VTTとCTTとVo(64もついているので)の配線と
最後に模擬盤の重心を確認して
取っ手取り付けをおこなえば
納期がまだかかる
DAIICHIのRPR取り付け以外
2025年中に出来上がりそうです。

2025年12月、
インフルエンザによる
学年閉鎖で休みの子供と
留守番しつつ、
RPR模擬盤制作を進めました。

VTT,CTTパネルカットミスを
リカバリーしてから
裏側に現物合わせで
ブレーカーやZPDの箱を取り付け。

制御電源配線まで完了。

ほぼ形になりました。
残るは
VTTとCTTとVo(64もついているので)の配線と
最後に模擬盤の重心を確認して
取っ手取り付けをおこなえば
納期がまだかかる
DAIICHIのRPR取り付け以外
2025年中に出来上がりそうです。
コメント